网站首页
产品服务
PRODUCTS
/ 产品服务
箱式变电站系列
电缆分支箱系列
高压成套开关柜系列
低压成套开关柜系列
高压电力系列
资质荣誉
资讯动态
关于我们
ABOUT
/ 关于我们
企业简介
资质荣誉
资讯动态
联系方式
联系我们
首页
产品服务
箱式变电站系列
电缆分支箱系列
高压成套开关柜系列
低压成套开关柜系列
高压电力系列
资质荣誉
资讯动态
关于我们
企业简介
资质荣誉
资讯动态
联系方式
联系我们
首页
产品服务
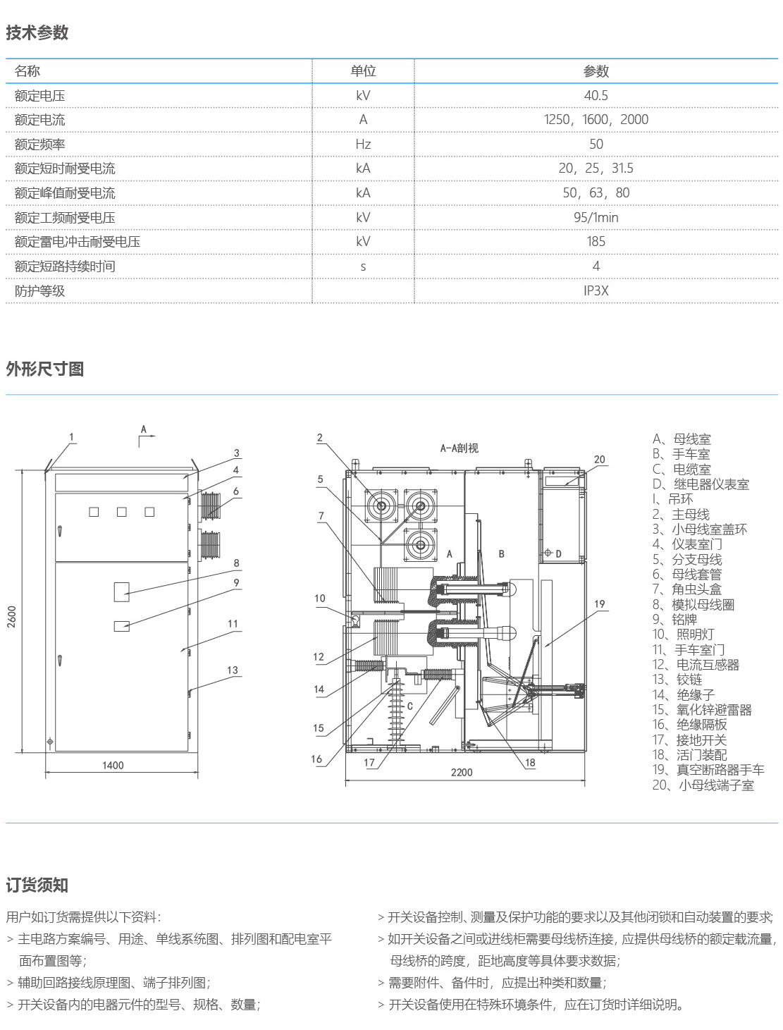
KYN61-40.5铠装移开式交流金属封闭开关设备
介绍
扫一扫手机版
友情链接
© 2022~2022 浙江黔仁电气有限公司 版权所有.
技术支持:鼎诺传媒
浙ICP备2022012864号
Follow us
BE SOCIAL
13262433111
客服热线
806105812@qq.com
客服邮箱